AG旗舰厅
产品中心
无杆气缸
多轴气缸
电动滑台
旋转气缸
气动手指(气爪)
气动滑台
标准气缸
薄型气缸
迷你气缸
气缸配件
资讯动态
客服中心
服务中心
服务承诺
资料下载
关于AG旗舰厅
关于AG旗舰厅
AG旗舰厅文化
人才招聘
联系我们
0577-57123111
产品中心
资讯动态
客服中心
服务承诺
资料下载
关于AG旗舰厅
AG旗舰厅文化
人才招聘
联系我们
产品搜索
AG旗舰厅改变未来的每一天
每一天都会带来改变,每一天品质都会实现
产品名称:CRQ2B旋转气缸
服务热线:0577-57123111
EMAIL:273620184@qq.com
Q Q:
PDF文档下载
产品特性
* 本摆动气缸与CRQ系列的主要区别是缸体本色为银白色,与洁净环境相匹配。
* 配管可以取一个方向。
* 采用双齿条,无齿痕。
* 本体可作为法兰使用。
* 本体上有定位孔,易于对中。
* 在同一面上可安装2个磁性开关。
规格
缸径mm
10
15
20
30
40
动作方式
双作用
使用流体
空气
使用压力范围
0.15~0.7MPa
0.1~1.0MPa
环境和流体温度
-10~60℃(但未冻结)
缓冲
垫缓冲
无、气缓冲
摆动角度
80°~100°,170°~190°
可调角度范围
0~190°
最大摆动角度
±5°
输出力矩(N?m)
0.3
0.75
1.8
3.1
5.3
摆速可调范围s/90°
0.2~0.7
0.2~1.0
允许动能J
无缓冲
-
-
0.025
0.048
0.081
垫缓冲
0.25x10-3
0.39x10-3
-
-
-
气缓冲
-
-
0.12
0.25
0.4
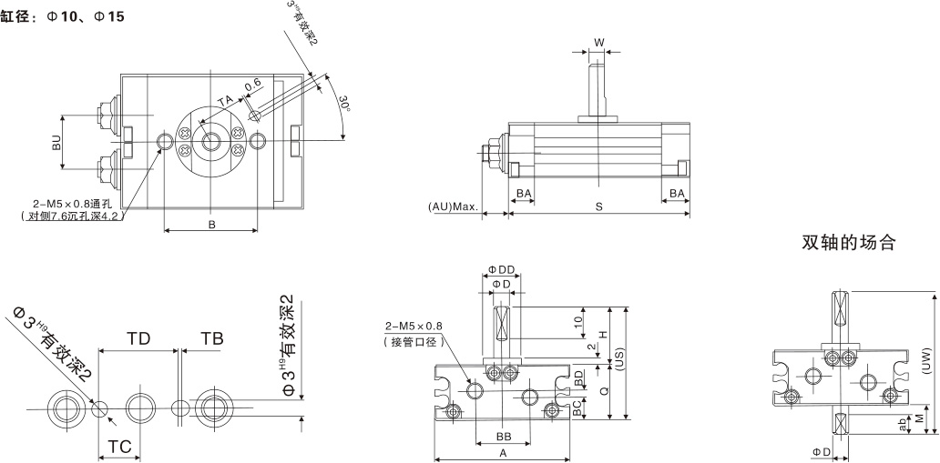
外部尺寸图
缸径
摆动角度
A
AU
B
BA
BB
BC
BD
BU
D(g6)
DD(h9)
H
W
Q
S
US
UW
ab
M
TA
TC
TD
10
90°
42
8.5
29
8.5
17
6.7
2.2
16.7
5
12
18
4.5
17
56
35
44
6
9
15.5
8
15.4
180°
69
15
90°
53
9.5
31
9
26.4
10.6
-
23.1
6
14
20
4.5
20
65
40
50
7
10
16
9
17.6
180°
82
缸径
摆动角度
A
AU
B
BA
BB
BC
BE
BU
CA
CB
D
DD
F
H
J
JA
JB
20
90°,180°
63
(11)
50
14
34
14.5
-
-
30.4
4.7
10
25
2.5
30
M8x1.25
11
6.5
30
90°,180°
69
(11)
68
14
39
16.5
49
16
34.7
4.9
12
30
3
32
M10x1.5
14
8.5
40
90°,180°
78
(13)
76
16
47
18.5
55
16
40.4
5.2
15
32
3
36
M10x1.5
14
8.6
缸径
摆动角度
JJ
K
Q
S
W
键尺寸
US
TA
TB
TC
TD
TF
TG
TL
UW
G
M
N
L
b
i
20
90°
-
3
29
104
11.5
4
20
59
24.5
1
13.5
27
4
4
2.5
74
8
15
11
9.6
180°
130
30
90°
M5x0.8深6
4
33
122
13.5
4
20
65
27
2
19
36
4
4
2.5
83
10
18
13
11.4
180°
153
40
90°
M6x1深7
5
37
139
17
5
25
73
32.5
2
20
39.5
5
5
3.5
93
11
20
15
14
180°
177
订购码
?
sitemap
、
网站地图
友情链接:
FH至尊
hjc黄金城
pp电子
利来旗舰厅
bb电子
k8凯发国际
金年会
威廉希尔
威廉希尔
利来国际旗舰厅
球盟会
hjc黄金城集团
u乐国际
月博
银河国际
宝运莱
XPJ
AG旗舰厅
银河国际