AG旗舰厅

0577-57123111

AG旗舰厅改变未来的每一天

每一天都会带来改变,每一天品质都会实现

  • 产品名称:ADVU薄型气缸
  • 服务热线:0577-57123111
  • EMAIL:273620184@qq.com
  • Q Q:
PDF文档下载

规格

内径mm 16 20 25 32 40 50 63 80 100
动作方式 双作用 单杆/双杆
使用流体 空气(经40um滤网过滤)
使用压力范围 ADVU--P-A 0.12-1.0MPa 0.1-1.0MPa 0.08-1.0MPa 0.06-1.0MPa
ADVU--P-A-S2 0.13-1.0MPa 0.12-1.0MPa 0.1-1.0MPa 0.08-1.0MPa
保证耐压力 1.5MPa
环境和流体温度 -20~80℃
杆端螺纹 内螺纹(标准),外螺纹(任选)
缓冲 橡胶缓冲
接管口径 M5 G1/8 G1/4
活塞螺纹 内螺纹 M4 M5 M6 M8 M10 M12
外螺纹 M8 M10x1.25 M12x1.25 M16x1.25 M20x1.25

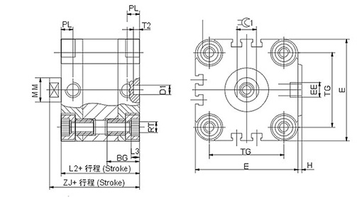
气缸尺寸表


内径(mm) D1 E EE H L2 L3 L4 MM PL RT T2 TG ZJ CC1
16 6 29 M5 1 38 4 18.5 8 8 M4 4 18 41 6
20 6 35.5 M5 1.5 38 4 18.5 10 8 M5 4 22 41 8
25 6 39.5 M5 1.5 39.5 4 18.5 10 8 M5 4 26 43.5 9
32 6 49.5 G1/8 2 44.5 5 22 12 8 M6 4 32 49.5 10
40 6 59.5 G1/8 2.5 45.5 5 22 12 8 M8 4 42 51 10
50 6 68 G1/8 2.8 46.5 6 22 16 8 M8 4 50 53 14
63 8 86 G1/8 4 50 8 26 16 8 M10 4 62 56 14
80 8 108 G1/8 4 58 8 26 20 8.5 M10 4 82 62 17
100 8 128 G1/4 5 66.5 8 26 35 10.5 M10 4 103 76.5 22
注:从上部安装φ12和16mm气缸时,两个安装螺钉成对角线分布,或者用非磁性螺钉。+=行程长度相加2最小旋入深度

订购码

?
sitemap网站地图
友情链接:yth游艇会  球盟会  k8凯发国际  k8凯发国际  海洋之神  yth游艇会  利来旗舰厅  k8凯发天生赢家  金年会  必发88  u乐国际  bb电子  申博sunbet  大红鹰dhy  hjc黄金城  918博天堂  ug环球视讯  pp电子  永盈会  永盈会