产品特性
* 执行亚德客企业标准,采用铝圆管缸体
* 前后盖与缸管采用螺纹连接;
* 活塞密封采用异型双向密封结构,尺寸紧凑,有储油功能;
* 前端盖采用自润滑轴承导向,润滑与导向性能好;
* 多种后盖形式,使气缸安装更加方便;
* 多种规格的气缸及气缸安装附件可供客户选择使用;
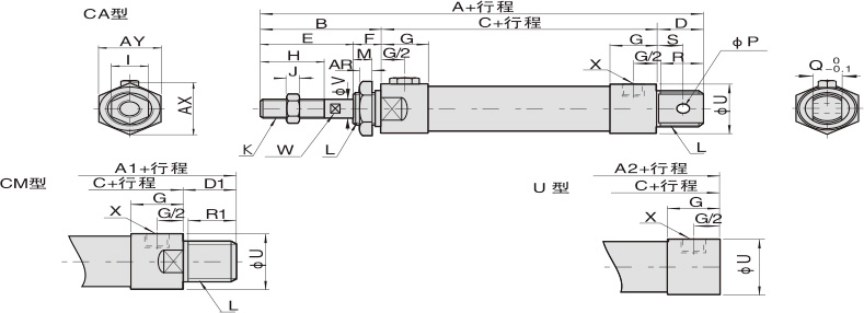
外部规格

MAL
| 缸径 |
A |
A1 |
A2 |
B |
C |
D |
D1 |
E |
F |
G |
H |
I |
J |
K |
| 20 |
131 |
122 |
110 |
40 |
70 |
21 |
12 |
28 |
12 |
16 |
20 |
12 |
6 |
M8x1.25 |
| 25 |
135 |
128 |
114 |
44 |
70 |
21 |
14 |
30 |
14 |
16 |
22 |
17 |
6 |
M10x1.25 |
| 32 |
141 |
128 |
114 |
44 |
70 |
27 |
14 |
30 |
14 |
16 |
22 |
17 |
6 |
M10x1.25 |
| 40 |
165 |
152 |
138 |
46 |
92 |
27 |
14 |
32 |
14 |
22 |
24 |
17 |
7 |
M12x1.25 |
| 缸径 |
L |
M |
P |
Q |
R |
R1 |
S |
U |
V |
W |
X |
AR |
AX |
AY |
| 20 |
M22x1.5 |
10 |
8 |
16 |
19 |
12 |
12 |
29 |
8 |
PT1/8 |
PT1/8 |
7 |
33 |
29 |
| 25 |
M22x1.5 |
12 |
8 |
16 |
19 |
12 |
12 |
34 |
10 |
PT1/8 |
PT1/8 |
7 |
33 |
29 |
| 32 |
M24x2.0 |
12 |
10 |
16 |
25 |
15 |
15 |
39.5 |
12 |
PT1/8 |
PT1/8 |
8 |
37 |
32 |
| 40 |
M30x2.0 |
12 |
12 |
20 |
25 |
15 |
15 |
49.5 |
16 |
PT1/8 |
PT1/4 |
9 |
47 |
41 |

MSAL(φ16~φ40)
| 符号 |
A |
A1 |
A2 |
B |
C |
D |
D1 |
E |
F |
| 内径 |
≤50 |
51-100 |
≥101 |
≤50 |
51-100 |
≥101 |
≤50 |
51-100 |
≥101 |
≤50 |
51-100 |
≥101 |
| 20 |
156 |
181 |
206 |
147 |
172 |
197 |
135 |
160 |
185 |
40 |
95 |
120 |
145 |
21 |
12 |
28 |
12 |
| 25 |
160 |
185 |
210 |
153 |
178 |
203 |
139 |
164 |
189 |
44 |
95 |
120 |
145 |
21 |
14 |
30 |
14 |
| 32 |
166 |
191 |
216 |
153 |
178 |
203 |
139 |
164 |
189 |
44 |
95 |
120 |
145 |
27 |
14 |
30 |
14 |
| 40 |
190 |
215 |
240 |
177 |
202 |
227 |
163 |
188 |
213 |
46 |
117 |
142 |
167 |
27 |
14 |
32 |
14 |
| 缸径 |
G |
H |
I |
J |
K |
L |
M |
P |
Q |
R |
R1 |
S |
U |
V |
W |
X |
AR |
AX |
AY |
| 20 |
16 |
20 |
12 |
6 |
M8x1.25 |
M22x1.5 |
10 |
8 |
16 |
19 |
10 |
12 |
29 |
8 |
6 |
PT1/8 |
7 |
33 |
29 |
| 25 |
16 |
22 |
17 |
6 |
M10x1.25 |
M22x1.5 |
12 |
8 |
16 |
19 |
12 |
12 |
34 |
10 |
8 |
PT1/8 |
7 |
33 |
29 |
| 32 |
16 |
22 |
17 |
6 |
M10x1.25 |
M24x2.0 |
12 |
10 |
16 |
25 |
12 |
15 |
39.5 |
12 |
10 |
PT1/8 |
8 |
37 |
32 |
| 40 |
22 |
24 |
17 |
7 |
M12x1.25 |
M30x2.0 |
12 |
12 |
20 |
25 |
12 |
15 |
49.5 |
16 |
14 |
PT1/4 |
9 |
47 |
41 |

MTAL(φ16~φ40);MAC(φ20~φ40)
| 符号 |
A |
A1 |
A2 |
C |
| 内径 |
≤25 |
≤50 |
≤75 |
≤100 |
≤25 |
≤50 |
≤75 |
≤100 |
≤25 |
≤50 |
≤75 |
≤100 |
≤25 |
≤50 |
≤75 |
≤100 |
| 20 |
146 |
156 |
171 |
181 |
137 |
147 |
162 |
172 |
125 |
135 |
150 |
160 |
85 |
95 |
110 |
120 |
| 25 |
150 |
160 |
175 |
185 |
143 |
153 |
168 |
178 |
129 |
139 |
154 |
164 |
85 |
95 |
110 |
120 |
| 32 |
156 |
166 |
186 |
196 |
143 |
153 |
173 |
183 |
129 |
139 |
159 |
169 |
85 |
95 |
115 |
125 |
| 40 |
180 |
190 |
210 |
220 |
167 |
177 |
197 |
207 |
153 |
163 |
183 |
193 |
107 |
117 |
137 |
147 |

MALD
| 缸径 |
A |
B |
C |
E |
F |
G |
H |
I |
J |
K |
L |
M |
U |
V |
W |
X |
AR |
AX |
AY |
| 20 |
150 |
40 |
70 |
28 |
12 |
16 |
20 |
12 |
6 |
M8x1.25 |
M22x1.5 |
10 |
29 |
8 |
6 |
PT1/8 |
7 |
33 |
29 |
| 25 |
158 |
44 |
70 |
30 |
14 |
16 |
22 |
17 |
6 |
M10x1.25 |
M22x1.5 |
12 |
34 |
10 |
8 |
PT1/8 |
7 |
33 |
29 |
| 32 |
158 |
44 |
70 |
30 |
14 |
16 |
22 |
17 |
6 |
M10x1.25 |
M24x2.0 |
12 |
39.5 |
12 |
10 |
PT1/8 |
8 |
37 |
32 |
| 40 |
184 |
46 |
92 |
32 |
14 |
22 |
24 |
17 |
7 |
M12x1.25 |
M30x2.0 |
12 |
49.5 |
16 |
14 |
PT1/4 |
9 |
47 |
41 |

MALJ
| 缸径 |
A |
B |
C |
E |
F |
G |
H |
I |
J |
K |
L |
M |
U |
V |
W |
X |
AR |
AX |
AY |
| 20 |
147 |
40 |
70 |
28 |
12 |
16 |
20 |
12 |
6 |
M8x1.25 |
M22x1.5 |
10 |
29 |
8 |
6 |
PT1/8 |
7 |
33 |
29 |
| 25 |
155 |
44 |
70 |
30 |
14 |
16 |
22 |
17 |
6 |
M10x1.25 |
M22x1.5 |
12 |
34 |
10 |
8 |
PT1/8 |
7 |
33 |
29 |
| 32 |
155 |
44 |
70 |
30 |
14 |
16 |
22 |
17 |
6 |
M10x1.25 |
M24x2.0 |
12 |
39.5 |
12 |
10 |
PT1/8 |
8 |
37 |
32 |
| 40 |
180 |
46 |
92 |
32 |
14 |
22 |
24 |
17 |
7 |
M12x1.25 |
M30x2.0 |
12 |
49.5 |
16 |
14 |
PT1/4 |
9 |
47 |
41 |